Pumps And Motors
Home » Our Products » Melting Shop Solutions » Pumps And Motors
our products
Pumps And Motors
get in touch
At Infinity Steel Industries Resources, we are committed to providing seamless communication and exceptional customer service. Whether you have questions about our products, need technical assistance, or are interested in exploring how we can support your steel manufacturing needs, our team is ready to assist you.
High-Performance Copper Moulds for Metal Casting
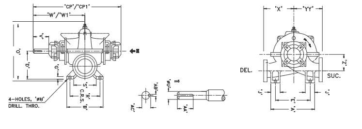
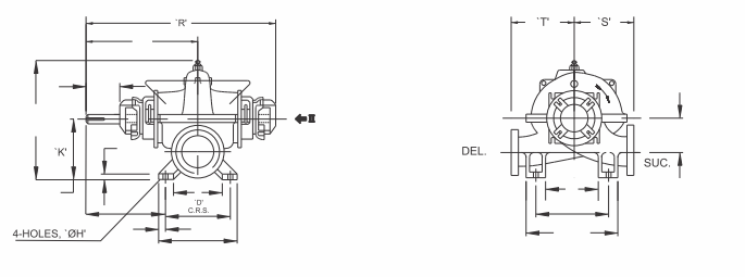
- MF/MF-E/MF-V
- MF Pump/Bomba MF
- MF/MF-E/MF-V
- Vertical Delivery End Position (Megha Execution)
- Posición Final Descarga vertical (Ejecución Megha)
- Different Orientation on Delivery Nozzle / Orientación Diferente en la Tobera de Descarga
- MF-Vertical Execution
- MF-Funcionamiento Vertical
- Centreline Mounted CLM Pump (KPD/KPD-QF/KPDT)
- Foot Mounted (FM) Pump (KPD/KPD-QF)
- Foot Mounted (KPD/KPDQF) Pump
- KPD (Foot Mounted)
- KPD-QF (Foot Mounted)
- CROSS SECTIONAL DRAWING (KPDT)
- BACK PULL OUT ARRANGEMENT
- WORKING TEMPERATURE AND PRESSURE
- ALTERNATIVES AVAILABLE
- Centre line Mounting
- KPD/KPD-QF/KPDT/KPDJ
- Steam Jacket Arrangement
- KPD/KPD-QF/KPDT/KPDJ
- DSM Series
- DBxe End Suction Pump
- DSM Series
- DSM (Thru Bore) Pump
- DSM (Non Thru Bore) Pump
- DSM (Thru Bore) Pump Typical Drawing
- DSM (Non Thru Bore) Pump-Typical Drawing
- DSM (Thru Bore) Pump with Mechanical - Seal Arrangement
- CUT SECTION
- MATERIAL OF CONSTRUCTION
- CROSS SECTIONAL ASSEMBLY
DBxe 32/13 to 65/13, DBxe 32/16 to 80/16 DBxe 32/20 to 100/20, DBxe 32/26 to 125/26
- CROSS SECTIONAL ASSEMBLY
DBxe 65/32 to 150/32, DBxe 100/40 to 150/40
- UP/UPL/UPH
- UP/UPL/UPH
- UP Metric (Thrubore) Pumps
- UP/UPH/UPL Pump
- UP(Metric) Pump
- UP (Metric) Pump
- UP/UPL/UPH Pump
- UP Pump Bottom Suction
- UP Pump Vertical Execution
- Cut-sectional View
- General Dimensions
- Orientation/Rotation
- Cross Sectional View
- Alternatives Available
Pump in vertical configuration
Low NPSH Pumps
- Outline Drawing of RKB Multi-Outlet Pumps
- Outline Drawing of RKBCV Pumps
- Outline Drawing of RKBS Pumps
- SOLAR PUMP
- ESCO Economical Mppt Commer
- YSCO DC Mppt Controller
- DSCO AC/DC Hybrid Mppt Controller
- YSPI Solar Pump Inverter
- Y3SS Solar Submersible Pump Series
- Y4SS Solar Submersible Pump Series
- Y3HS Solar Submersible Pump Series
- Y4HS Solar Submersible Pump Series
- Y3PC Solar Submersible Pump Series
- Y4PC Solar Submersible Pump Series
- Y3SC Solar Submersible Pump Series
- Y4SC Solar Submersible Pump Series
- Y4/6SC Solar Submersible Pump Series
- Y3PC-A/D AC/DC Hybnd Solar Pump Series
- Y4PC-A/D AC/DC Hybrid Solar Pump Series
- Y3SC-A/D AC/DC Hybrid Solar Pump Series
- Y4SC-A/D AC/DC Hybrid Solar Pump Series
- Y4/6SC-A/D AC/DC Hybrid Solar Pump Serie
- YSSP Solar Surface Pump Series
- YSSP-A/D AC/DC Hybrid Solar Pump Series
- YSHF Solar Surface Pump Series
- YSHF-A/D AC/DC Hybrid Solar Pump Series
- YSQB Solar Surface Pump Series
- Y3SS-E Economical Controller Solar Pump Series
- Y4SS-E Economical Controller Solar Pump Series
- Y3PC-E Economical Controller Solar Pump Series
- Y4PC-E Economical Controller Solar Pump Series
- YSQD-E Economical Controller Solar Pump Series
- YSPI Series soler Pump Inverter
- Solar Panel recommendation